
簡(jian)要(yao)描述(shu):埃美柯黃銅(tong)旋塞(sai)(sai)(sai)(sai)閥(fa)概述:黃銅(tong)旋塞(sai)(sai)(sai)(sai)閥(fa)是關閉件或(huo)柱塞(sai)(sai)(sai)(sai)形(xing)的(de)旋轉(zhuan)(zhuan)閥(fa),通(tong)過旋轉(zhuan)(zhuan)90度使閥(fa)塞(sai)(sai)(sai)(sai)上的(de)···
型(xing)號(hao):X14F-16T
價格:
時(shi)間:2023-08-12
瀏覽:813埃美柯黃銅旋塞閥概述:
黃銅旋塞(sai)閥(fa)(fa)是關閉(bi)件或(huo)柱塞(sai)形(xing)(xing)的(de)旋轉閥(fa)(fa),通(tong)過旋轉90度使(shi)閥(fa)(fa)塞(sai)上的(de)通(tong)道口與閥(fa)(fa)體(ti)上的(de)通(tong)道口相通(tong)或(huo)分開(kai),實現(xian)開(kai)啟或(huo)關閉(bi)的(de)一種閥(fa)(fa)門。它的(de)閥(fa)(fa)塞(sai)的(de)形(xing)(xing)狀可(ke)成圓柱形(xing)(xing)或(huo)圓錐形(xing)(xing)。在圓柱形(xing)(xing)閥(fa)(fa)塞(sai)中,通(tong)道一般成矩形(xing)(xing);而在錐形(xing)(xing)閥(fa)(fa)塞(sai)中,通(tong)道成梯(ti)形(xing)(xing)。這(zhe)些形(xing)(xing)狀使(shi)旋塞(sai)閥(fa)(fa)的(de)結構變得輕巧(qiao)。zui適于作為切斷和接通(tong)介質(zhi)(zhi)以(yi)及分流(liu)適用,但(dan)是依(yi)據適用的(de)性質(zhi)(zhi)和密(mi)封(feng)面(mian)的(de)耐沖(chong)蝕性,有時(shi)也(ye)可(ke)用于節(jie)流(liu)。
埃美柯黃銅旋塞(sai)閥結構圖:

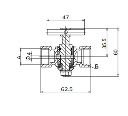
埃(ai)美(mei)柯黃銅旋塞閥參(can)數圖:

| 如果你對 埃美柯黃銅旋塞閥851/852A感興趣,想了解更詳細的產品信息,填寫下表直接與廠家聯系: |