
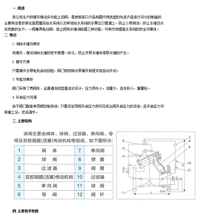
埃美柯緩開快閉止回閥概述:
緩開快(kuai)閉止回閥采(cai)用(yong)雙室驅動裝(zhuang)(zhuang)置(zhi),Y型(xing)結(jie)構(gou)。介(jie)質(zhi)在(zai)定向(xiang)運動中具有(you)半直線水流(liu),過流(liu)量大,壓(ya)力損失小,啟閉運行平穩、不產生壓(ya)力波動等(deng)優點。雙室驅動裝(zhuang)(zhuang)置(zhi)可(ke)(ke)作(zuo)為一(yi)個整體拆(chai)(chai)卸(xie),便于檢查,膜片采(cai)用(yong)尼龍強化橡膠制成(cheng),合用(yong)壽(shou)命長,閥瓣(ban)密封件可(ke)(ke)拆(chai)(chai)卸(xie),維(wei)修更方便。
DY30BX緩(huan)(huan)開快(kuai)(kuai)閉止(zhi)回閥(fa)(fa)它包括閥(fa)(fa)體(ti)內(nei)設閥(fa)(fa)座、閥(fa)(fa)桿、以及與(yu)(yu)閥(fa)(fa)體(ti)連(lian)接(jie)的上(shang)閥(fa)(fa)蓋(gai)與(yu)(yu)下(xia)閥(fa)(fa)蓋(gai)等(deng)零(ling)件組成。上(shang)閥(fa)(fa)蓋(gai)與(yu)(yu)下(xia)閥(fa)(fa)蓋(gai)之間(jian)為隔(ge)(ge)膜(mo)(mo)腔(qiang),隔(ge)(ge)膜(mo)(mo)腔(qiang)內(nei)設隔(ge)(ge)膜(mo)(mo),隔(ge)(ge)膜(mo)(mo)與(yu)(yu)中心軸(zhou)連(lian)接(jie),中心軸(zhou)另一(yi)端連(lian)接(jie)閥(fa)(fa)門(men),閥(fa)(fa)門(men)與(yu)(yu)閥(fa)(fa)座接(jie)觸(chu)。水(shui)(shui)(shui)(shui)(shui)(shui)容器與(yu)(yu)上(shang)閥(fa)(fa)蓋(gai)進水(shui)(shui)(shui)(shui)(shui)(shui)、出水(shui)(shui)(shui)(shui)(shui)(shui)控制孔連(lian)通(tong),水(shui)(shui)(shui)(shui)(shui)(shui)容器與(yu)(yu)上(shang)閥(fa)(fa)蓋(gai)出水(shui)(shui)(shui)(shui)(shui)(shui)為節流連(lian)通(tong),水(shui)(shui)(shui)(shui)(shui)(shui)容器與(yu)(yu)上(shang)閥(fa)(fa)蓋(gai)進水(shui)(shui)(shui)(shui)(shui)(shui)為單向(xiang)連(lian)通(tong)。該閥(fa)(fa)緩(huan)(huan)慢開啟,防止(zhi)電流沖擊(ji)及網中壓力沖擊(ji);快(kuai)(kuai)速關閉,防止(zhi)水(shui)(shui)(shui)(shui)(shui)(shui)錘產(chan)生。無(wu)水(shui)(shui)(shui)(shui)(shui)(shui)質要求,可(ke)用于污水(shui)(shui)(shui)(shui)(shui)(shui)、清(qing)水(shui)(shui)(shui)(shui)(shui)(shui)及原水(shui)(shui)(shui)(shui)(shui)(shui)系統。
埃美(mei)柯緩開快閉止回閥性(xing)能參數:
公稱通徑:DN40-DN800
公(gong)稱壓(ya)力:1.6Mpa-2.5Mpa
適用溫度:-10℃~80℃
適用(yong)介質:水、油(you)、性質接近(jin)水的液(ye)體
閥(fa)體材質(zhi):鑄鐵、鑄鋼(gang)(gang)、碳鋼(gang)(gang)、不銹鋼(gang)(gang)
連接方式:法蘭(lan)連接
連接(jie)尺寸:GB/T17241.6
埃美柯緩開快閉止回閥結構圖:

| 如果你對 埃美柯緩開快閉止回閥感興趣,想了解更詳細的產品信息,填寫下表直接與廠家聯系: |